HOME
このサイトについて
部品データベース
お知らせ
仲間募集
お問い合わせ
運営会社
プライバシーポリシー
サイトマップ
ワイヤーハーネス・電線・ケーブル・コネクタ等、配線加工に必要な部品の詳細を図面入りで詳しくご説明しています。
このサイトについて
部品データベース
お知らせ
仲間募集
お問い合わせ
部品データベース
トップページ
>
部品データベース
> HR25-9TP-20P(72)
ヒロセ電機株式会社
HR25-9TP-20P(72)
メーカー
ヒロセ電機株式会社
メーカー(略称)
HRS
カテゴリー
コネクタ
品名
HR25-9TP-20P(72)
写真(クリックで拡大)
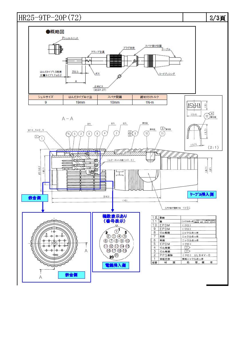
図面(クリックで拡大)
補足(クリックで拡大)
※ 当サイトの情報の転載、複製、改変等は禁止いたします。
copyright (C) takachi corp all rights reserved.